機床電氣原理圖一般由哪幾部分電路組成,機床電氣原理圖
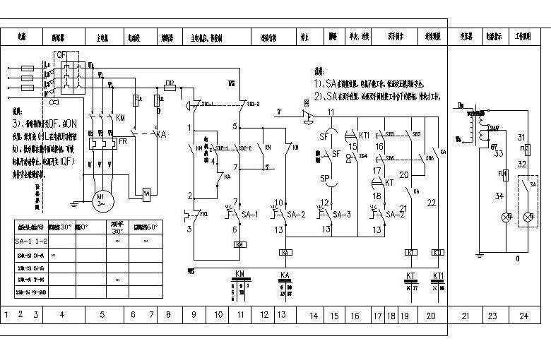
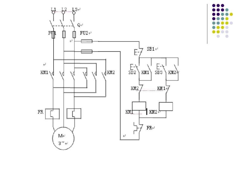
如下圖所示轉子轉速與定子旋轉磁場的轉速相同的交流電機其轉子轉速n與磁極對數p電源頻率f之間滿足n=60fp轉速n決定于電源頻率f,故電源頻率一定時,轉速不變,且與負載無關具有運行穩定性高和過載能力大等特點主要優勢常用于多機同步傳動系統精密調速穩速系統和大型設備如軋鋼機等;四方刀架1松開刀架電動機與刀架內一蝸桿相連,刀架電動機轉動時與蝸桿配套的渦輪轉動,此渦輪與一條絲杠為一體的稱為“渦輪絲杠”當絲杠轉動時會上升與絲杠旋合的螺母與刀架是一體的,當松開時刀架不動作,所以絲杠會上升,絲杠上升后使位于絲杠上端的壓板上升即松開刀架2 換刀刀架松開;C620-1型普通車床的電氣控制原理圖如下1電氣控制原理圖的構成及作用 電氣控制原理圖可分為主電路控制電路及照明電路主電路中的M1為主軸電動機,拖動主軸旋轉M2為冷卻電動機,輸出冷卻液因它們的容量均小于10kW,可采用全壓啟動控制電路是由按鈕熱繼電器和接觸器線圈組成,通過按鈕SB1和SB;QF2,是個D類25A電動機斷路器XT1,接線端子排 TC2,380變220V變壓器 km2,交流接觸器;如下圖所示的是M7232平面磨床電氣控制電路,下面的表格是與之對應的主要電氣元件表其機械結構由床身工作臺電磁吸盤砂輪箱滑座等部分組成,工作臺上裝有電磁吸盤,用以吸附工件工作臺在液壓傳動機構作用下,沿著床身的導軌作往返運行,砂輪箱在電動機M4的驅動下可在主導軌上作垂直運行其電。
一下面是z3050型搖臂鉆床電氣原理圖Z3050搖臂鉆床主要由底座內立柱外立柱搖臂主軸箱工作臺等組成內立柱固定在底座上,在它外面套著空心的外立柱,外立柱可繞著內立柱回轉一周,搖臂一端的套筒部分與外立柱滑 動配合,借助于絲桿,搖臂可沿著外立柱上下移動,但兩者不能做相對轉動,所以;您的問題應該是電氣工作原理是什么普通車床的電氣圖在機床設備里算是比較簡單的1從電氣圖分析,可以分解為主電路和控制電路2主電路是控制主軸液壓快速電機潤滑泵的工作電路3控制電路是通過按鈕開關等開關元件控制主電路的交流接觸器線圈,進而控制主電路4主電路是三相交流電流入;受篇幅所限,一次電路免繪了,僅繪二次控制電路供參考;根據電氣傳動的要求,用接觸器KM1KM2KM3分別控制電動機M1M2和M3機床的三相電源由電源引入開關QS引入主電動機M1的過載保護由熱繼電器FR1實現,其短路保護由機床前一級配電箱中的熔斷器實現冷卻泵電機M2用FR2作過載保護快速移動電動機M3短時工作,不設過載保護由于M2M3容量小且相差不大;也有從主電路的一條相線和一零線上接來,電壓為單相220V第二步了解控制電路中所采用的各種繼電器接觸器的用途,如采用了一些特殊結構的繼電器,還應了解他們的動作原理第三步根據輔助電路來研究主電路的動作情況第四步研究電器元件之間的相互關系電路中的一切電器元件都不是孤立存在的而是;機床電氣原理圖是用來表明機床電氣的工作原理及各電器元件的作用,相互之間的關系的一種表示方式對于分析電氣線路,排除機床電路故障是十分有益的機床線路電氣原理圖一般由主電路控制電路保護配電電路等幾部分組成閱讀方法如下1主電路的閱讀 閱讀主電路時,應首先了解主電路中有哪些用電設備。

KS為速度繼電器,其作用是在停車制動過程中,當轉速大于其額定值,速度繼電器常開觸點閉合,進入反接制動當轉速低于其額定值,速度繼電器常開觸點斷開,切斷反接制動電路,停車制動完成。
XY軸的原理是橫軸和縱軸分別控制,以便實現立體控制成型;百度網盤機床電氣控制線路圖識圖技巧_升級版高清在線觀看 pwd=1234 提取碼1234 內容簡介 本書作者從多年工作和教學實踐經驗出發,依據國家職業技能標準和電氣工程施工與驗收規范,選擇機床電氣控制線路圖識讀作為切入點,致力于激發電工初學者的學習;機床電氣識圖一書立足于實際生產,從基礎的識圖原理和電路構建規則開始講解,逐步深入探討機床電氣識圖的策略與步驟全書共分為六章,詳細闡述了機床控制線路的識圖技巧以及電氣元件的選擇要點,涵蓋了對基本控制線路的分析,包括交流調速系統和直流自動調速系統的理解接下來的章節專門針對各類機床,如;按實際位置畫的只能是位置圖或接線圖,用來分析原理很煩雜,且即使非常熟悉設備,也經常會出錯這是因為分析原理要求對一條線路按照元件動作順序的因果關系進行分析而按照動作順序的元件或者部件,經常交錯在不同的安裝位置,連接導線多且雜因此,為了分析原理的方便,人們就發明了電氣原理圖,就是按照。

電氣原理圖是用來表明設備電氣的工作原理及各電器元件的作用,相互之間的關系的一種表示方式 運用電氣原理圖的方法和技巧,對于分析電氣線路,排除機床電路故障是十分有益的 電氣系統 電氣原理圖 電氣系統圖主要有電氣原理圖電器布置圖電氣安裝接線圖等 因此,電氣原理圖是電氣系統圖的一種是根據控制線圖工作。
免責聲明: 本站提供的任何內容版權均屬于相關版權人和權利人,如有侵犯你的版權。 請來信指出,我們將于第一時間刪除! 所有資源均由免費公共網絡整理而來,僅供學習和研究使用。請勿公開發表或 用于商業用途和盈利用途。
本文鏈接:http://www.whxzws.com/ziyuan/26484.html
發表評論